提供專業控制閥解決方案! 銷售熱線:021-51863046
上海川滬閥門有限公司
ShangHai Chuanhu Valve CO.,LTD
我們做的不僅是產品還是解決方案
川滬閥門品牌:電動球閥、電動蝶閥、氣動球閥、氣動蝶閥、電動調節閥、氣動調節閥
自力式調節閥、快速切斷閥、低溫閥門、耐腐蝕閥門、衛生級閥門、截止閥、閘閥
電動執行器、氣動執行器
D971F電動四氟密封蝶閥
一、D971F電動四氟密封蝶閥 產品概述
上海川滬閥門有限公司生產的D971F電動四氟密封蝶閥使用聚四氟乙烯(PTFE)作為密封材料的一種蝶閥,其中閥板材質可以選用多種材質如碳鋼、304不銹鋼、316不銹鋼、雙相不銹鋼等材質,適用范圍廣、耐腐蝕性能好、性價比高。與精小型電動執行器相連接后,可以控制閥門的開關或者調節(輸入輸出信號4-20mA)管道介質流量大小。
特點:
1、小型輕便,容易拆裝及維修,并可在任意位置安裝。
2、結構簡單,緊湊,90回轉啟閉迅速。
3、操作扭矩小,省力輕巧。
5、耐磨好(尼龍耐磨是銅的7倍),可延長使用壽命。
6、無毒、無味、抗菌符合綠色環保要求。
7、耐鹽、堿、弱酸侵蝕,適應性廣。
8、無銷連接技術,保證介質與金屬完全隔離可靠性高。
9、產品價格遠低于不銹鋼閥門,明顯降低工程造價。
適用場景:
D971F電動四氟密封蝶閥適用介質:淡水、海水、各種氣體、油品、堿、鹽、有機化合物及弱酸等。
二、D971F電動四氟密封蝶閥 產品圖片
![]() |
![]() |
| D971F電動四氟密封蝶閥(配精小型電動執行器) | D971F電動四氟密封蝶閥(配防爆型電動執行器) |
三、D971F電動四氟密封蝶閥 性能規范
| 公稱通徑 DN(mm) | 50(2") ~ 1000(40") | 50(2") ~ 1000(40") | |
|---|---|---|---|
| 公稱壓力PN(MPa) | 1.0 | 1.6 | |
| 試驗壓力 | 殼體 | 1.5 | 2.4 |
| 密封 | 1.1 | 1.76 | |
| 適用溫度 | -15 ~ +150度 | ||
| 適用介質 | 淡水、污水、海水、空氣、蒸汽、食品、藥品、各種油類、酸類、鹽類等 | ||
四、D971F電動四氟密封蝶閥 主要零部件材料
| 閥體 | 閥板 | 轉軸 | 襯套 | 閥座 | ||||
|---|---|---|---|---|---|---|---|---|
| 材料名稱 | 代號 | 材料名稱 | 代號 | 材料名稱 | 材料名稱 | 材料名稱 | 代號 | 適用溫度 |
灰鑄鐵 球墨鑄鐵 鋁青銅 不銹鋼 CF8M不銹鋼 碳鋼 |
Z Q T P R C |
電鍍球墨鑄鐵 鋁青銅 不銹鋼 鈦鋼 CF8M不銹鋼 碳鋼 |
B1 B2 B3 B4 B5 B6 |
不銹鋼 碳鋼 |
潤滑青銅 聚四氟乙烯 |
天然橡膠 海帕倫 乙丙橡膠 氯丁橡膠 丁晴橡膠 耐磨橡膠 氟橡膠 耐熱乙丙橡膠 聚四氟乙烯 |
X1 X2 X3 X4 X5 X6 X7 X9 F |
-20~85度 -20~120度 -20~120度 -7~93度 -20~100度 -10~100度 -20~200度 -20~135度 -20~150度 |
五、D971F電動四氟密封蝶閥 執行器參數
| 執行器類別 | CH系列執行器參數 | HQ系列執行器參數 |
|---|---|---|
| 電源電壓 | 標準:220V AC單相 可選:110V AC 單相、380/440V AC 三相、24V/110V/220V AC | |
| 輸出力矩 | 50N·M~2000N·M | 50N·M~3000N·M |
| 動作范圍 | 0~90° 0~360° | 0~90°、0°~270°可選 |
| 控制方式 | 開關到位燈(開關兩位控制)、無源觸點信號、1/5K電位計、智能調節(4~20mA模擬量信號控制) | |
| 動作時間 | 15秒/30秒/60秒 | 18S~112S |
| 保護裝置 | 過熱保護 | 內置過熱保護、過載保護 |
| 環境溫度 | -30°~60° | -20℃~+70℃ |
| 手動操作 | 同附帶手柄操作 | 機械離合機構,配手輪操作 |
| 機械限位 | 電氣、機械二重限位 | 2個外部調整螺栓 |
| 防護等級 | IP65 | IP65、IP67、可定制IP68 |
| 防爆等級 | 無防爆 | ExdⅡ BT4,ExdⅡ CT6 |
| 位置測量 | 可選裝開關或電位計 | 電位計、比例控制單元 |
| 驅動電機 | 8W/E | 鼠籠式異步電機 |
| 進線接口 | PE1/2〞進線線鎖 | 2個 PF 3/4" |
| 殼體材料 | 鋁合金 | 鋼,鋁合金,鋁青銅,聚碳酸脂 |
| 外涂層 | 干粉,環氧聚酯,具有超強防腐功能 | |
| 采用獨特的電制動線路,因而定位精度高,執行機構靈敏,啟動停止迅速,運行平穩。同時具有抗干擾、抗浪涌電壓、防擊穿能力強的特點 | ||
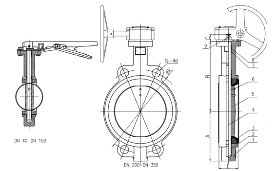
六、D971F電動四氟密封蝶閥 結構圖
![]() |
七、D971F電動四氟密封蝶閥 連接尺寸
| SIZE | A | B | C | L | GB PN 10 | GB PN 16 | ANSI 150LB | JIS 10K | ISO 5211 |
Top Flange |
|||||||
|---|---|---|---|---|---|---|---|---|---|---|---|---|---|---|---|---|---|
| mm | in | øK | N-ød | øK | N-ød | øK | N-ød | øK | N-ød | øD | øD1 | N-øG | |||||
| 40 | 1.5" | 67 | 141 | 32 | 33 | 110 | 4-ø18 | 110 | 4-ø18 | 98.5 | 4-ø16 | 105 | 4-ø19 | 65 | 50 | 4-ø8 | F05 |
| 50 | 2" | 67 | 141 | 32 | 43 | 125 | 4-ø18 | 125 | 4-ø18 | 120.6 | 4-ø19 | 120 | 4-ø19 | 65 | 50 | 4-ø8 | F05 |
| 65 | 2½" | 75 | 151 | 32 | 46 | 145 | 4-ø18 | 145 | 4-ø18 | 139.7 | 4-ø19 | 140 | 4-ø19 | 65 | 50 | 4-ø8 | F05 |
| 80 | 3" | 95 | 160 | 32 | 46 | 160 | 8-ø18 | 160 | 8-ø18 | 152.4 | 4-ø19 | 150 | 8-ø19 | 65 | 50 | 4-ø8 | F05 |
| 100 | 4" | 111 | 180 | 32 | 52 | 180 | 8-ø18 | 180 | 8-ø18 | 190.5 | 8-ø19 | 175 | 8-ø19 | 90 | 70 | 4-ø10 | F07 |
| 125 | 5" | 129 | 193 | 32 | 56 | 210 | 8-ø18 | 210 | 8-ø18 | 215.9 | 8-ø22.4 | 210 | 8-ø23 | 90 | 70 | 4-ø10 | F07 |
| 150 | 6" | 142 | 207 | 32 | 56 | 240 | 8-ø22 | 240 | 8-ø22 | 241.3 | 8-ø22.4 | 240 | 8-ø23 | 90 | 70 | 4-ø10 | F07 |
| 200 | 8" | 170 | 240 | 45 | 60 | 295 | 8-ø22 | 295 | 12-ø22 | 298.4 | 8-ø22.4 | 290 | 12-ø23 | 125 | 102 | 4-ø12 | F10 |
注:由于產品改進技術創新參數可能有一定變化,公司不另行通知,請咨詢公司技術部門索取新數據。
下載:上海川滬閥門有限公司-產品樣本-D971F電動四氟密封蝶閥.PDF
D971F電動四氟密封蝶閥鏈接:http://www.weixinart.com/products/diandongdiefa/d971f.html




























