提供專業控制閥解決方案! 銷售熱線:021-5186 3046
上海川滬閥門有限公司
ShangHai Chuanhu Valve CO.,LTD
我們做的不僅是產品還是解決方案
川滬閥門品牌:電動球閥、電動蝶閥、氣動球閥、氣動蝶閥、電動調節閥、氣動調節閥
自力式調節閥、快速切斷閥、低溫閥門、耐腐蝕閥門、衛生級閥門、截止閥、閘閥
電動執行器、氣動執行器
反沖洗過濾器
一、反沖洗過濾器 產品概述
上海川滬閥門有限公司生產的ZPG型過濾器,
該過濾器由筒體、不銹鋼濾網、排污部分、傳動裝置及電氣控制部分組成。過濾機工作時,待過濾的水由水口時入,流經濾網,通過出口進入用戶所須的管道進行工藝循環,水中的顆粒雜技被截留在濾網內部。如此不斷的循環,被截留下來的顆粒越來越多,過濾速度越來越慢,而進口的污水仍源源不斷地進入,濾孔會越來越小,由此在進、出口之間產生壓力差,當大度差達到設定值時,差壓變送器將電信號傳送到控制器,控制哭喊啟動驅動馬達通過傳動組件帶動軸轉動,同時排污口打開,由排污口排出,當濾網清洗完畢后,壓差降到小值,系統返回到初始過濾狀,系統正常運行。
特點:
1、設計結構簡單。
2、反清洗時間短,流量,壓力損失小。
3、高精度過濾,出水水質穩定。
適用場景:
反沖洗過濾器廣泛用于冶金、化工、石油、造紙、醫藥、食品、采礦、電力、城市給水領域。諸如工業廢水, 循環水的過濾,乳化液的再生,廢油過濾處理,冶金行業的連鑄水系統、高爐水系統,熱軋用高壓水除鱗系統。是一種先進、高效且 易操作的全自動過濾裝置。
二、反沖洗過濾器 產品圖片
![]() |
| 反沖洗過濾器_ZPG |
三、反沖洗過濾器 技術參數
| 項目 | 說明 | |
|---|---|---|
| 材質 | 碳鋼 | 不銹鋼 |
| 濾框濾網材質 | 不銹鋼 | |
| 密封件材質 | 耐油石棉、丁晴橡膠、聚四氟乙烯 | |
| 工作溫度(℃) | -30~380 | -80~450 |
| 公稱壓力(MPa) | 0.6~5.0 (150Lb~600Lb) | |
| 過濾精度(目/in) | 10-300 | |
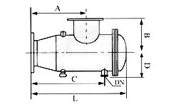
四、反沖洗過濾器 規格型號
|
|||||||
| 型號 | L | A | B | D | 排污口DN | ||
|---|---|---|---|---|---|---|---|
| ZPG-I-40 | 245 | 185 | 63 | 90 | 15 | ||
| ZPG-I-50 | 255 | 190 | 70 | 100 | 15 | ||
| ZPG-I-65 | 270 | 195 | 83 | 120 | 20 | ||
| ZPG-I-80 | 320 | 232 | 96 | 140 | 25 | ||
| ZPG-I-100 | 350 | 260 | 128 | 180 | 32 | ||
| ZPG-I-125 | 438 | 326 | 162 | 200 | 40 | ||
| ZPG-I-150 | 525 | 390 | 189 | 230 | 50 | ||
| ZPG-I-200 | 700 | 520 | 220 | 280 | 65 | ||
| ZPG-I-250 | 875 | 650 | 255 | 330 | 80 | ||
| ZPG-I-300 | 1050 | 780 | 294 | 380 | 100 | ||
| ZPG-I-350 | 1200 | 885 | 331 | 450 | 125 | ||
| ZPG-I-400 | 1400 | 1040 | 377 | 480 | 150 | ||
| ZPG-I-450 | 1550 | 1145 | 420 | 500 | 150 | ||
| ZPG-I-500 | 1700 | 1250 | 462 | 580 | 150 | ||
| ZPG-I-600 | 2000 | 1460 | 537 | 650 | 200 | ||
| ZPG-I-700 | 2280 | 1720 | 607 | 700 | 200 | ||
| ZPG-I-800 | 2500 | 1900 | 685 | 820 | 200 | ||
| ZPG-I-900 | 2800 | 2180 | 785 | 880 | 200 | ||
| ZPG-I-1000 | 3120 | 2470 | 860 | 920 | 250 | ||
| ZPG-I-1100 | 3450 | 2780 | 915 | 960 | 250 | ||
| ZPG-I-1200 | 3700 | 3000 | 965 | 1040 | 250 | ||
| ZPG-I-1500 | 4470 | 3650 | 1220 | 1400 | 250 | ||
|
||||||||
| 型號 | L | A | B | C | D | 排污口DN | ||
|---|---|---|---|---|---|---|---|---|
| ZPG-L-40 | 320 | 170 | 80 | 226 | 90 | 15* | ||
| ZPG-L-50 | 350 | 185 | 90 | 244 | 100 | 15* | ||
| ZPG-L-65 | 380 | 200 | 100 | 270 | 120 | 20* | ||
| ZPG-L-80 | 445 | 230 | 120 | 310 | 140 | 25* | ||
| ZPG-L-100 | 536 | 265 | 160 | 365 | 180 | 32* | ||
| ZPG-L-125 | 624 | 315 | 190 | 440 | 200 | 40 | ||
| ZPG-L-150 | 728 | 375 | 220 | 520 | 230 | 50 | ||
| ZPG-L-200 | 884 | 500 | 260 | 670 | 280 | 65 | ||
| ZPG-L-250 | 1120 | 625 | 310 | 830 | 330 | 80 | ||
| ZPG-L-300 | 1310 | 750 | 350 | 1000 | 380 | 100 | ||
| ZPG-L-350 | 1514 | 875 | 410 | 1180 | 450 | 125 | ||
| ZPG-L-400 | 1730 | 1000 | 470 | 1350 | 480 | 150 | ||
| ZPG-L-450 | 1896 | 1125 | 510 | 1500 | 500 | 150 | ||
| ZPG-L-500 | 2080 | 1250 | 550 | 1680 | 580 | 150 | ||
| ZPG-L-600 | 2490 | 1500 | 650 | 2000 | 650 | 200 | ||
| ZPG-L-700 | 2680 | 1600 | 680 | 2150 | 700 | 200 | ||
| ZPG-L-800 | 2880 | 1750 | 700 | 2300 | 820 | 200 | ||
| ZPG-L-900 | 3150 | 1850 | 800 | 2480 | 880 | 200 | ||
| ZPG-L-1000 | 3370 | 2000 | 900 | 2675 | 920 | 250 | ||
| ZPG-L-1100 | 3610 | 2100 | 1000 | 2900 | 960 | 250 | ||
| ZPG-L-1200 | 3850 | 2250 | 1100 | 3050 | 1040 | 250 | ||
| ZPG-L-1500 | 4700 | 2800 | 1200 | 3800 | 1400 | 250 | ||
五、反沖洗過濾器 自動沖洗排污原理
直通式自動沖洗排污原理:
![]() |
![]() |
直角式自動沖洗排污原理:
![]() |
![]() |
1、工作過濾
正常工作時,水流轉向閥為開啟狀態。需處理的水通過過濾網后利用慣性原理而將水中的細小顆粒雜質及懸浮物由于慣性作用沉積在排污口附近。
2、沖洗排污
正常沖洗時,水流轉向閥為開啟狀態。當濾網截留水中的細小顆粒雜質及懸浮物達到一定數量時,將排污口上的閥門打開,即由于水流的作用將粘在過濾器收集段部分的雜質沖質沖洗直到排出水清澈為止。再關閉排污口上的閥門進入正常工作狀態。
3、反沖洗排污
反沖洗時,水流轉向閥為關閉狀態,排污閥開啟,這時水流被迫從過濾網筒的入口段網孔進入過濾筒外側與殼體夾層,反向從網筒外側沖洗粘附在網孔上的雜質,達到清潔過濾網的目的。由于轉向閥關閉,水經過反沖閥后流帶增大,反洗效果好。
注:由于產品改進技術創新參數可能有一定變化,公司不另行通知,請咨詢公司技術部門索取新數據。
下載:上海川滬閥門有限公司-產品樣本-反沖洗過濾器.PDF
反沖洗過濾器鏈接:http://www.weixinart.com/products/guolvqi/zpg.html





















