提供專業控制閥解決方案! 銷售熱線:021-5186 3046
上海川滬閥門有限公司
ShangHai Chuanhu Valve CO.,LTD
我們做的不僅是產品還是解決方案
川滬閥門品牌:電動球閥、電動蝶閥、氣動球閥、氣動蝶閥、電動調節閥、氣動調節閥
自力式調節閥、快速切斷閥、低溫閥門、耐腐蝕閥門、衛生級閥門、截止閥、閘閥
電動執行器、氣動執行器
四氟密封蝶閥
一、四氟密封蝶閥 產品概述
四氟密封蝶閥多用于耐腐蝕要求高、耐溫高的場合,相比EPDM橡膠密封形式的蝶閥,可以在150度以下溫度使用,并抗絕大多數的介質腐蝕。驅動形式有手柄式、氣動式、電動式等,手動四氟密封蝶閥常用于不經常開閉場合,氣動四氟密封蝶閥和電動四氟密封蝶閥可以和自動化系統集成,通過開關量信號來控制開關或者模擬量信號來控制閥門開度大小,從而實現系統自動化控制,四氟密封蝶閥具有結構緊湊、密閉性能好、安裝方便等特點
二、四氟密封蝶閥 產品圖片
![]() |
![]() |
| 四氟密封蝶閥(閥體材質不銹鋼) | 四氟密封蝶閥(閥體材質碳鋼) |
三、四氟密封蝶閥 技術參數
| 公稱通徑 | 2"~8"(DN50~DN200) |
|---|---|
| 連接形式 | 對夾式 |
| 公稱壓力 | PN10、PN16/ANSI150/JIS10K |
| 閥體材質 | WCB、304不銹鋼、316不銹鋼 |
| 閥板材質 | WCB、304不銹鋼、316不銹鋼 |
| 閥座材質 | PTFE |
四、四氟密封蝶閥 零部件參數
| 公稱通徑 | DN(mm) | 50~200 | ||
|---|---|---|---|---|
| 公稱壓力 | PN(MPa) | 0.6 | 1.0 | 1.6 |
| 試驗壓力 | 強度試驗 | 0.9 | 1.5 | 2.4 |
| 密封試驗 | 0.66 | 1.1 | 1.76 | |
| 氣密封試驗 | 0.6 | 0.6 | 0.6 | |
| 適用介質 | 空氣、水、污水、蒸氣、煤氣、油品等。 | |||
| 驅動形式 | 手動、蝸桿蝸輪傳動、氣傳動、電傳動。 | |||
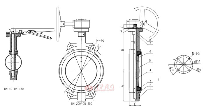
五、四氟密封蝶閥 結構圖
![]() |
六、四氟密封蝶閥 連接尺寸
| SIZE | A | B | C | L | DIN PN 10 | DIN PN 16 | ANSI 150LB | JIS 10K | ISO 5211 |
Top Flange |
|||||||
|---|---|---|---|---|---|---|---|---|---|---|---|---|---|---|---|---|---|
| mm | in | ?K | N-?d | ?K | N-?d | ?K | N-?d | ?K | N-?d | ?D | ?D1 | N-?G | |||||
| 40 | 1.5" | 67 | 141 | 32 | 33 | 110 | 4-?18 | 110 | 4-?18 | 98.5 | 4-?16 | 105 | 4-?19 | 65 | 50 | 4-?8 | F05 |
| 50 | 2" | 67 | 141 | 32 | 43 | 125 | 4-?18 | 125 | 4-?18 | 120.6 | 4-?19 | 120 | 4-?19 | 65 | 50 | 4-?8 | F05 |
| 65 | 2?" | 75 | 151 | 32 | 46 | 145 | 4-?18 | 145 | 4-?18 | 139.7 | 4-?19 | 140 | 4-?19 | 65 | 50 | 4-?8 | F05 |
| 80 | 3" | 95 | 160 | 32 | 46 | 160 | 8-?18 | 160 | 8-?18 | 152.4 | 4-?19 | 150 | 8-?19 | 65 | 50 | 4-?8 | F05 |
| 100 | 4" | 111 | 180 | 32 | 52 | 180 | 8-?18 | 180 | 8-?18 | 190.5 | 8-?19 | 175 | 8-?19 | 90 | 70 | 4-?10 | F07 |
| 125 | 5" | 129 | 193 | 32 | 56 | 210 | 8-?18 | 210 | 8-?18 | 215.9 | 8-?22.4 | 210 | 8-?23 | 90 | 70 | 4-?10 | F07 |
| 150 | 6" | 142 | 207 | 32 | 56 | 240 | 8-?22 | 240 | 8-?22 | 241.3 | 8-?22.4 | 240 | 8-?23 | 90 | 70 | 4-?10 | F07 |
| 200 | 8" | 170 | 240 | 45 | 60 | 295 | 8-?22 | 295 | 12-?22 | 298.4 | 8-?22.4 | 290 | 12-?23 | 125 | 102 | 4-?12 | F10 |
下載:上海川滬閥門有限公司-產品樣本-四氟密封蝶閥.PDF
四氟密封蝶閥鏈接:http://www.weixinart.com/products/diefa/d71f.html

















