提供專業控制閥解決方案! 銷售熱線:021-5186 3046
上海川滬閥門有限公司
ShangHai Chuanhu Valve CO.,LTD
我們做的不僅是產品還是解決方案
川滬閥門品牌:電動球閥、電動蝶閥、氣動球閥、氣動蝶閥、電動調節閥、氣動調節閥
自力式調節閥、快速切斷閥、低溫閥門、耐腐蝕閥門、衛生級閥門、截止閥、閘閥
電動執行器、氣動執行器
真空蝶閥
一、真空蝶閥 產品概述
GI高真空蝶閥用于接通或切斷真空管路中的氣流,驅動形式有手柄式、氣動式、電動式等,手動真空蝶閥常用于不經常開閉場合,氣動真空蝶閥和電動真空蝶閥可以和自動化系統集成,通過開關量信號來控制開關或者模擬量信號來控制閥門開度大小,從而實現系統自動化控制,真空蝶閥具有結構緊湊、密閉性能好、安裝方便等特點,也可以用于常壓系統中,特別對結構空間也限制的場合使用。
二、真空蝶閥 產品圖片
![]() |
![]() |
| 真空蝶閥 | 真空蝶閥 |
三、真空蝶閥 技術參數
| 公稱通徑(mm) | 40 | 50 | 65 | 80 | 100 | 125 | 150 | 200 | 250 | 300 | 350 | 400 | 450 | 500 | 600 | 800 |
|---|---|---|---|---|---|---|---|---|---|---|---|---|---|---|---|---|
| 連接法蘭 | JB/T919 GB/T6070 | |||||||||||||||
| 漏氣速率(L/s) | 133.3х10-6 | 133.3х10-5 | ||||||||||||||
| 通導能力(L/s) | 48 | 97 | 178 | 260 | 546 | 938 | 1328 | 2611 | 3962 | 6159 | 8535 | 10912 | 13558 | 16202 | 22418 | 41357 |
| 適用范圍(Pa) | 133.3х10-6 ~ 101х103 | |||||||||||||||
| 介質溫度(℃) | -25~80 | |||||||||||||||
四、真空蝶閥 零部件參數
| 零件名稱 | 閥體和蝶板 | 構件 | 密封墊(閥體、蝶板) |
|---|---|---|---|
| 材料 | 碳素鋼(鍍鎳) | 2Cr13 | 丁腈橡膠 |
| 不銹鋼 | 不銹鋼 | 丁腈橡膠/氟橡膠 |
五、真空蝶閥 結構圖
![]() |
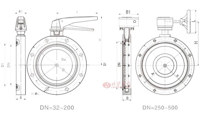
六、真空蝶閥 連接尺寸
| Model 型號 |
DN | D | Do | D1 | B | H | B1 | L | n-φc |
|---|---|---|---|---|---|---|---|---|---|
| GI-32 | 32 | 78 | 64 | 36 | 22 | 32 | 36 | 115 | 4-φ7 |
| GI-40 | 40 | 85 | 70 | 44 | 22 | 40 | 36 | 115 | 4-φ7 |
| GI-50 | 50 | 110 | 90 | 55 | 22 | 50 | 36 | 115 | 4-φ9 |
| GI-65 | 65 | 125 | 105 | 70 | 26 | 130 | 38 | 135 | 4-φ9 |
| GI-80 | 80 | 145 | 125 | 85 | 30 | 140 | 38 | 135 | 4-φ9 |
| GI-100 | 100 | 170 | 145 | 105 | 30 | 153 | 38 | 135 | 4-φ12 |
| GI-150 | 150 | 220 | 195 | 156 | 35 | 179 | 40 | 165 | 8-φ12 |
| GI-200 | 200 | 275 | 250 | 208 | 40 | 208 | 40 | 185 | 8-φ12 |
| GI-250 | 250 | 330 | 300 | 258 | 45 | 234 | 45 | 300 | 8-φ14 |
| GI-300 | 300 | 380 | 350 | 308 | 55 | 300 | 55 | 350 | 8-φ14 |
| GI-400 | 400 | 500 | 465 | 408 | 60 | 340 | 60 | 500 | 8-φ18 |
下載:上海川滬閥門有限公司-產品樣本-真空蝶閥.PDF
真空蝶閥鏈接:http://www.weixinart.com/products/diefa/gi.html

















