提供專業控制閥解決方案! 銷售熱線:021-51863046
上海川滬閥門有限公司
ShangHai Chuanhu Valve CO.,LTD
我們做的不僅是產品還是解決方案
川滬閥門品牌:電動球閥、電動蝶閥、氣動球閥、氣動蝶閥、電動調節閥、氣動調節閥
自力式調節閥、快速切斷閥、低溫閥門、耐腐蝕閥門、衛生級閥門、截止閥、閘閥
電動執行器、氣動執行器
電動衛生級蝶閥
一、電動衛生級蝶閥 產品概述
上海川滬閥門有限公司生產的電動衛生級蝶閥,是由角行程的電動執行機構和衛生級蝶閥閥體組成,接入220V電壓即可控制閥門的開關,也可以接入控制模塊,輸入控制信號4-20mA或1-5V DC進行控制。電動衛生蝶閥采用標準電子拋光,光滑表面確保清潔,無介質積存區域,不會產生潛在的污染??焖俨鹧b閥,使閥門打開和維修快捷容易,使過程停機時間縮短。
特點:
1.設計新穎、合理、結構獨特,重量輕,啟閉迅速。
2.操力矩小,操作方便,省力靈巧。
3.可以任何位置安裝,維修方便。
4.密封材料耐老化、耐腐蝕,使用壽命長等特點。
適用場景:
電動衛生蝶閥廣泛應用于如食品、制藥、化妝品、潔凈蒸汽、酒類、飲料、 生化工業過程控制場合。
二、電動衛生級蝶閥 產品圖片
![]() |
![]() |
| 電動衛生級蝶閥 | 電動衛生級蝶閥 |
三、電動衛生級蝶閥 零部件材料
| 零件名稱 | 材料 |
|---|---|
| 閥體 | 304、316、316L |
| 蝶板 | 304、316、316L |
| 密封圈 | 硅橡膠、氟橡膠、聚四氟 |
| 閥桿 | 304、316、316L |
| 填料 | 硅橡膠、氟橡膠、聚四氟 |
四、電動衛生級蝶閥 技術參數
| 公稱通徑DN | 50~800 | ||||||||||
|---|---|---|---|---|---|---|---|---|---|---|---|
| 動作范圍 | 0~90° | ||||||||||
| 允許壓差△P | 小于公稱壓力(1.6MPa) | ||||||||||
| 泄漏量Q | 按GB/T4213-92,為Kv值的10-4 | ||||||||||
| 環境溫度oC | -20~60oC | ||||||||||
| 基本誤差 | ±2.5% | ||||||||||
| 回差 | ±2.5% | ||||||||||
| 死區 | 1% | ||||||||||
| 可調范圍 | 250:1、350:1 | ||||||||||
| 配置執行機構 | 選配PSQ、HQ、361RS、CH等系列角行程電動執行機構 | ||||||||||
| 控制方式 | 開關到位燈(開關兩位控制)、智能調節(4~20mA模擬量信號控制) | ||||||||||
五、電動衛生級蝶閥 執行器參數
| 執行器類別 | CH系列執行器參數 | HQ系列執行器參數 |
|---|---|---|
| 電源電壓 | 標準:220V AC單相 可選:110V AC 單相、380/440V AC 三相、24V/110V/220V AC | |
| 輸出力矩 | 50N·M~2000N·M | 50N·M~3000N·M |
| 動作范圍 | 0~90° 0~360° | 0~90°、0°~270°可選 |
| 控制方式 | 開關到位燈(開關兩位控制)、無源觸點信號、1/5K電位計、智能調節(4~20mA模擬量信號控制) | |
| 動作時間 | 15秒/30秒/60秒 | 18S~112S |
| 保護裝置 | 過熱保護 | 內置過熱保護、過載保護 |
| 環境溫度 | -30°~60° | -20℃~+70℃ |
| 手動操作 | 同附帶手柄操作 | 機械離合機構,配手輪操作 |
| 機械限位 | 電氣、機械二重限位 | 2個外部調整螺栓 |
| 防護等級 | IP65 | IP65、IP67、可定制IP68 |
| 防爆等級 | 無防爆 | ExdⅡ BT4,ExdⅡ CT6 |
| 位置測量 | 可選裝開關或電位計 | 電位計、比例控制單元 |
| 驅動電機 | 8W/E | 鼠籠式異步電機 |
| 進線接口 | PE1/2〞進線線鎖 | 2個 PF 3/4" |
| 殼體材料 | 鋁合金 | 鋼,鋁合金,鋁青銅,聚碳酸脂 |
| 外涂層 | 干粉,環氧聚酯,具有超強防腐功能 | |
| 采用獨特的電制動線路,因而定位精度高,執行機構靈敏,啟動停止迅速,運行平穩。同時具有抗干擾、抗浪涌電壓、防擊穿能力強的特點 | ||
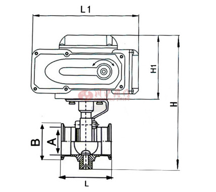
六、電動衛生級蝶閥 結構圖
![]() |
七、電動衛生級蝶閥 連接標準和尺寸
| 規格 | A | B | H | H1 | L | L1 | 重量KG |
|---|---|---|---|---|---|---|---|
| c19 | 16.1 | 50.5 | 237 | 132 | 66 | 178 | 3.9 |
| c25 | 22.4 | 50.5 | 237 | 132 | 66 | 178 | 3.8 |
| c32 | 28.8 | 50.5 | 237 | 132 | 66 | 178 | 3.7 |
| c38 | 35.1 | 50.5 | 237 | 132 | 70 | 178 | 3.8 |
| c51 | 47.8 | 64 | 262 | 132 | 70 | 178 | 4.1 |
| c63 | 59.5 | 77 | 277 | 132 | 76 | 178 | 4.5 |
| c76 | 72.2 | 91 | 287 | 132 | 80 | 178 | 4.8 |
| c89 | 85 | 106 | 300 | 132 | 84 | 178 | 5.5 |
| c102 | 97.6 | 119 | 317 | 132 | 85 | 178 | 6 |
注:由于產品改進技術創新參數可能有一定變化,公司不另行通知,請咨詢公司技術部門索取新數據。
下載:上海川滬閥門有限公司-產品樣本-電動衛生級蝶閥.PDF
電動衛生級蝶閥鏈接:http://www.weixinart.com/products/weishengjitiaojiefa/ddwsjdf.html
























