提供專業控制閥解決方案! 銷售熱線:021-5186 3046
上海川滬閥門有限公司
ShangHai Chuanhu Valve CO.,LTD
我們做的不僅是產品還是解決方案
川滬閥門品牌:電動球閥、電動蝶閥、氣動球閥、氣動蝶閥、電動調節閥、氣動調節閥
自力式調節閥、快速切斷閥、低溫閥門、耐腐蝕閥門、衛生級閥門、截止閥、閘閥
電動執行器、氣動執行器
電動超薄球閥
一、電動超薄球閥 產品概述
上海川滬閥門有限公司生產的電動超薄球閥,也稱為電動對夾球閥,由電動執行機構和超薄球閥閥體組成。接入220V電壓或者輸入4-20mA信號,即可控制閥門的運轉。
特點:
1.結構簡單、體積小、重量輕。
2.緊密可靠、密封性好。
3.操作方便,開閉迅速。
適用場景:
電動超薄球閥適用于在石油、化工、冶金、電站、輕工等領域,對油、水、氣及 紙漿或纖維狀流體進行自動調節或切斷控制。
二、電動超薄球閥 產品圖片
![]() |
![]() |
| 電動超薄球閥(配開關型執行器) | 電動超薄球閥(配調節型執行器) |
三、電動超薄球閥 零部件材料
| 零件名稱 | 材料名稱 | |||
|---|---|---|---|---|
| 閥體 | WCB | 304(CF8) | 316(CF8M) | 316L(CF3M) |
| 球體 | 2Cr13+氮化處理 | 304 | 316 | 316L |
| 閥桿 | 2Cr13 | 304 | 316 | 316L |
| 密封圈 | 聚四氟乙烯(PTFE)、增強聚四氟乙烯(PPL)、對位聚苯、柔性石墨 | |||
| 適用介質 | 水、氣體、蒸汽、油品等 | 硝酸等腐蝕性介質 | 醋酸等腐蝕介質 | 尿素等腐蝕性介質 |
四、電動超薄球閥 技術參數
| 公稱通徑 | DN10~150mm | |
|---|---|---|
| 公稱壓力 | PN1.6 2.5 4.0 6.4 31.5MPa(定制) | |
| 泄漏量 | 軟密封:零泄漏 | 硬密封:≤額定流量的10-5 |
| 流量特性 | 快開特性 | |
| 可調范圍 | DN10-80 | DN100-150 |
| 250:1 | 350:1 | |
| 閥體形式 | 整體式鍛造、整體式鑄造 | |
| 連接形式 | 超薄法蘭式、對夾式 | |
| 閥芯形式 | "O"型球形閥芯 | |
| 密封填料 | V型聚四氟乙烯填料、柔性石墨填料等 | |
| 基本誤差 | ±1% | |
| 死區 | ≤1% | |
| 回差 | ≤1% | |
| 適用溫度 | 密封面 | |
| PTFE≤180℃、PPL≤300℃、硬密封≤450℃ | ||
| 執行機構 | 可另配PSQ、HQ、UNIC、361RS等系列電子式電動執行機構 | |
五、電動超薄球閥 執行器參數
| 執行器類別 | CH系列執行器參數 | HQ系列執行器參數 |
|---|---|---|
| 電源電壓 | 標準:220V AC單相 可選:110V AC 單相、380/440V AC 三相、24V/110V/220V AC | |
| 輸出力矩 | 50N·M~2000N·M | 50N·M~3000N·M |
| 動作范圍 | 0~90° 0~360° | 0~90°、0°~270°可選 |
| 控制方式 | 開關到位燈(開關兩位控制)、無源觸點信號、1/5K電位計、智能調節(4~20mA模擬量信號控制) | |
| 動作時間 | 15秒/30秒/60秒 | 18S~112S |
| 保護裝置 | 過熱保護 | 內置過熱保護、過載保護 |
| 環境溫度 | -30°~60° | -20℃~+70℃ |
| 手動操作 | 同附帶手柄操作 | 機械離合機構,配手輪操作 |
| 機械限位 | 電氣、機械二重限位 | 2個外部調整螺栓 |
| 防護等級 | IP65 | IP65、IP67、可定制IP68 |
| 防爆等級 | 無防爆 | ExdⅡ BT4,ExdⅡ CT6 |
| 位置測量 | 可選裝開關或電位計 | 電位計、比例控制單元 |
| 驅動電機 | 8W/E | 鼠籠式異步電機 |
| 進線接口 | PE1/2〞進線線鎖 | 2個 PF 3/4" |
| 殼體材料 | 鋁合金 | 鋼,鋁合金,鋁青銅,聚碳酸脂 |
| 外涂層 | 干粉,環氧聚酯,具有超強防腐功能 | |
| 采用獨特的電制動線路,因而定位精度高,執行機構靈敏,啟動停止迅速,運行平穩。同時具有抗干擾、抗浪涌電壓、防擊穿能力強的特點 | ||
六、電動超薄球閥 性能規范
| 公稱通徑DN(mm) | DN15-150 | ||||
|---|---|---|---|---|---|
| 公稱壓力 | PN(MPa) | 1.6 | 2.5 | 4.0 | 6.4 |
| 試驗壓力 | 強度試驗 | 15.0 | 24.0 | 37.5 | 48.0 |
| 密封試驗 | 11.0 | 17.6 | 27.5 | 35.2 | |
| 低壓氣密試驗 | 0.5~0.7 | ||||
| 適用介質 | 水、油、蒸氣、硝酸類(溫度≤200℃)、醋酸類(溫度≤200℃) | ||||
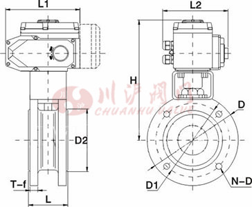
七、電動超薄球閥 結構圖
![]() |
八、電動超薄球閥 連接尺寸
| 主要外形尺寸-PN16(16bar) | |||||||||||
|---|---|---|---|---|---|---|---|---|---|---|---|
| 公稱通徑 DN |
連接尺寸mm | 執行器選配 | |||||||||
| L | L1 | L2 | H | D | D1 | D2 | T-f | N-D | |||
| 15 | 32 | 165 | 150 | 220 | 95 | 65 | 46 | 14-2 | 4-12 | CHV-005 | CHQ-010 |
| 20 | 38.5 | 165 | 150 | 230 | 105 | 75 | 56 | 14-2 | 4-12 | CHV-005 | CHQ-010 |
| 25 | 45 | 165 | 150 | 185 | 115 | 85 | 65 | 16-3 | 4-12 | CHV-005 | CHQ-010 |
| 32 | 55 | 165 | 150 | 195 | 140 | 100 | 76 | 16-3 | 4-16 | CHV-010 | CHQ-010 |
| 40 | 62 | 190 | 170 | 205 | 150 | 110 | 84 | 18-3 | 4-16 | CHV-010 | CHQ-020 |
| 50 | 72 | 190 | 170 | 210 | 165 | 125 | 99 | 20-3 | 4-16 | CHV-010 | CHQ-020 |
| 65 | 95 | 190 | 170 | 220 | 185 | 145 | 118 | 22-3 | 4-16 | CHV-020 | CHQ-010 |
| 80 | 120 | 270 | 220 | 270 | 200 | 160 | 132 | 24-3 | 8-16 | CHV-040 | CHQ-030 |
| 100 | 145 | 270 | 220 | 280 | 220 | 180 | 156 | 24-3 | 8-16 | CHV-060 | CHQ-040 |
| 125 | 200 | 270 | 220 | 295 | 250 | 210 | 184 | 26-3 | 8-16 | CHV-080 | CHQ-050 |
| 150 | 225 | 270 | 220 | 310 | 285 | 240 | 211 | 26-3 | 8-20 | CHV-100 | CHQ-060 |
注:由于產品改進技術創新參數可能有一定變化,公司不另行通知,請咨詢公司技術部門索取新數據。
下載:上海川滬閥門有限公司-產品樣本-電動超薄球閥.PDF
電動超薄球閥鏈接:http://www.weixinart.com/products/diandongqiufa/ddcbqf.html



































