提供專業控制閥解決方案! 銷售熱線:021-5186 3046
上海川滬閥門有限公司
ShangHai Chuanhu Valve CO.,LTD
我們做的不僅是產品還是解決方案
川滬閥門品牌:電動球閥、電動蝶閥、氣動球閥、氣動蝶閥、電動調節閥、氣動調節閥
自力式調節閥、快速切斷閥、低溫閥門、耐腐蝕閥門、衛生級閥門、截止閥、閘閥
電動執行器、氣動執行器
微型電動球閥
一、微型電動球閥 產品概述
上海川滬閥門有限公司生產的空調系統專用微型電動球閥、電動二通球閥、電動三通球閥是一款高節能自動復位(斷電后開閥或關閥)的新型產品,主要用于供熱采暖、暖通空調水系統的通斷控制。電動二通、三通球閥由電動驅動器和閥體二部分組成,驅動器采用集成芯片,在突然斷電時能自動打開閥門,使用戶在特殊情況下不會因停電而停暖,輸暖管路也不會因停電而凍壞。
特點:
1、直通水流,流量大,不堵渣;
2、良好的防水防灰功能;
3、閥門冷熱及環境冷熱傳不到執行器內;
4、執行器可在設備、管道安裝完后再裝,更利于提高警惕安裝工效;
5、由于執行器的偏心結構,閥門可緊貼墻面安裝;
6、拆掉驅動器的球閥可用普通工具開關;
7、閥門柔性開啟,能有效防止水錘;
8、加封簽鎖,可防止驅動器隨便拆下;
9、功率消耗:在閥門開啟、關閉時2W,幾乎沒有功率消耗。
適用場景:
微型電動球閥適用于空調水、飲水等場合使用。
二、微型電動球閥 產品圖片
![]() |
![]() |
| 微型電動球閥(不銹鋼閥體) | 微型電動球閥(銅閥體) |
三、微型電動球閥 技術參數
| 適配閥門 | DN8 ~ DN32 |
|---|---|
| 驅動機構 | 金屬齒輪傳動 |
| 輸出力矩 | 6NM |
| 電機功率 | MAX 5W |
| 選配控制 | CR01\CR02\CR02+\CR03\CR03T\CR03A\CR04\CR05\CR06 |
| 工作電流 | MAX100mA |
| 介質溫度 | 0-90度 |
| 出線數 | 2線、3線、5線 |
| 防護等級 | IP65 |
| 閥體材質 | 黃銅(DN8 ~ DN32) 不銹鋼(DN15~32) |
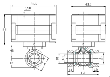
四、微型電動球閥 安裝尺寸
![]() |
五、微型電動球閥 接線方式
CR01(顛倒正負極模式)配線圖 電壓:DC3-6V/12V/24V
1.SW與OPEN相連,閥開,到位后內部自動斷電,并保持在閥開的狀態;
2.SW與CLOSE相連,閥關,到位后內部自動斷電,并保持在閥關的狀態。
備注:SW為雙聯開關
![]() |
CR02(三線兩控模式)配線圖 電壓:DC3-6V/12V DC9-24V
1. SW與OPEN相連,閥開,到位后內部自動斷電,并保持在閥開的狀態;
2. SW與CLOSE相連,閥關,到位后內部自動斷電,并保持在閥關的狀態。
![]() |
CR02+(三線斷電復位模式)配線圖 電壓:DC9-24V
1.SW與OPEN相連,閥開;到位后內部自動斷電,閥門保持開的狀態,備用電源充電
2.SW與CLOSE相連,閥關;到位后內部自動斷電,閥門保持關的狀態
備注:外部電源斷電,閥門恢復出廠狀態,紅、藍、黃三線不能同時供電,以免損壞閥門
![]() |
注:由于產品改進技術創新參數可能有一定變化,公司不另行通知,請咨詢公司技術部門索取新數據。
下載:上海川滬閥門有限公司-產品樣本-微型電動球閥.PDF
微型電動球閥鏈接:http://www.weixinart.com/products/diandongqiufa/ddwxqf.html






































