提供專業控制閥解決方案! 銷售熱線:021-51863046
上海川滬閥門有限公司
ShangHai Chuanhu Valve CO.,LTD
我們做的不僅是產品還是解決方案
川滬閥門品牌:電動球閥、電動蝶閥、氣動球閥、氣動蝶閥、電動調節閥、氣動調節閥
自力式調節閥、快速切斷閥、低溫閥門、耐腐蝕閥門、衛生級閥門、截止閥、閘閥
電動執行器、氣動執行器
氣動襯氟法蘭蝶閥
一、氣動襯氟法蘭蝶閥 產品概述
上海川滬閥門有限公司生產的氣動襯氟法蘭蝶閥(亦稱耐腐蝕氣動蝶閥)是由氣動活塞式執行器及四氟密封蝶閥組成。適用于溫度≤180℃,有腐蝕性或潔凈度有一定要求工況,氣動襯氟蝶閥是在過流部件、閥體、蝶板、閥桿上采用襯里技術襯里較厚的高分子材料,防腐蝕性能優良,可適用于任何濃度的酸、堿、鹽及氧化劑、還原劑、有機溶劑等介質,氣動襯氟蝶閥是化工、石油、醫藥、食品、鋼鐵治煉、造紙、水電等系統的氣體、液體、半流體的管路和容器上作截流和調節設備使用的理想產品。全襯聚四氟乙烯(F4)和聚全氟乙丙烯(F46)氟塑料襯里蝶閥,具有耐腐蝕、無泄漏、壽命長等優點。耐腐蝕氣動蝶閥適用于濃硫酸、鹽酸、硝酸、氫氟酸、王水、各種有機酸、強酸、氧化性介質或高溫烯硫酸、高溫濃醋酸、酸堿交替及多種有機溶劑和其它強腐蝕性介質。
特點:
1.體積小、重量輕、操作輕巧、便于安裝、維修。
2、密封性能優良可靠、零泄漏,使用壽命長。
3、流量特性趨于直線,調節性能優。
4、結構簡單,開關迅速,90°旋轉啟閉。
5、可代替閘閥、截止閥、旋塞閥、膠管閥及隔膜閥等各種閥門的使用。
6、可根據用戶要求配置氣動、電動裝置,滿足遙控和程控的需要。
7、襯氟蝶閥通過合理選材和采用特殊工藝結構。更換零件襯里材質可適用于各種介質。
8.廣泛用于化工、農藥、造紙、水處理、印染等強耐腐蝕開關或調節場合。若口徑較大的耐腐蝕場合,建議選擇耐腐蝕蝶閥。
適用場景:
氣動襯氟法蘭蝶閥可適用于任何濃度的酸、堿、鹽及氧化劑、還原劑、有機溶劑等介質,氣動襯氟蝶閥是化工、石油、醫藥、食品、鋼鐵治煉、造紙、水電等系統的氣體、液體、半流體的管路和容器上作截流和調節設備使用的理想產品。
二、氣動襯氟法蘭蝶閥 產品圖片
![]() |
![]() |
| 氣動襯氟法蘭蝶閥 | 氣動襯氟法蘭蝶閥 |
三、氣動襯氟法蘭蝶閥 材質參數
![]() |
|||||||||||
| 序號 | 01 | 02 | 03 | 04 | 05 | 06 | 07 | 08 | 09 | 10 | 11 |
| 名稱 | 氣動執行機構 | 電磁閥 | 信號 | 閥體 | 蝶板 | 閥座 | 閥桿 | O型圈 | 彈性墊 | 彈簧平墊 | 螺栓、螺母 |
| 名稱 | 材質 |
|---|---|
| 閥體、底座 | 鑄鋼、不銹鋼、全襯氟 |
| 蝶板 | 鑄鋼、不銹鋼及特殊材料、全襯氟 |
| 密封圈 | 各種橡膠、聚四氟 |
| 襯里材料 | F46' F4、PFA、PO、PE' PP |
| 閥桿 | 20*13、不銹鋼、全襯氟 |
| 填料 | V型聚四氟乙烯填料、柔性石墨填料 |
四、氣動襯氟法蘭蝶閥 技術參數
| 閥體形式 | 直通鑄造蝶閥 |
|---|---|
| 公稱通徑 | DN50~DN500mm |
| 公稱壓力 | PN1.0. 1.6 MPa |
| 法蘭標準 | JISB220、JB/T79、ANSIB16.5-1981、GBAT9113、HG20594-97、HG20618-97等 |
| 連接形式 | 法蘭式、對夾式 |
| 閥蓋形式 | 一體式 |
| 壓蓋型式 | 壓蓋壓緊式 |
| 密封填料 | V型聚四氟乙烯填料、柔性石墨填料 |
| 閥板形式 | 垂直板式(蝶形) |
| 流量特性 | 等百分比、快開、線性 |
| 執行器型號 | GT系列、SR系列.AT系列、AW系列、TH(QGSY)系列單雙作用氣動執行器 |
| 供氣壓力 | 400700KPa |
| 氣源接口 | Gl/4\ Gl/8\ G3/8V Gl/2" |
| 環境溫度 | -30~+70oC |
| 作用形式 | 單作用執行機構:氣關式(B)--失氣時閥位開(FO):氣開式(K)--失氣時閥位關(FC) |
| 雙作用執行機構:氣關式(B)--失氣時閥位保持(FL):氣開式(K)--失氣時閥位保持(FL) | |
| 可配附件 | 定位器、電磁閥、空氣過濾減壓器、保位閥.行程幵關、閥位傳送器.手輪機構等 |
五、氣動襯氟法蘭蝶閥 執行器參數
| 執行器型號 | GT、AT、AR、AW系列單雙作用氣動執行器 |
|---|---|
| 供氣壓力 | 0.4~0.7MPa |
| 氣源接口 | G1/4"、G1/8"、G3/8"、G1/2" |
| 環境溫度 | -30~+70℃ |
| 作用形式 | 單作用執行機構:氣關式(B)--失氣時閥位開(FO);氣開式(K)--失氣時閥位關(FC) |
六、氣動襯氟法蘭蝶閥 性能參數
| 公稱通徑DN(mm) | DN50~1200 | ||||
|---|---|---|---|---|---|
| 公稱壓力 | PN(MPa) | 0.6 | 1.0 | 1.6 | 2.5 |
| 試驗壓力 | 強度試驗 | 0.9 | 1.5 | 2.4 | 3.75 |
| 密封試驗 | 0.66 | 1.1 | 1.76 | 2.75 | |
| 低壓氣密試驗 | 0.5~0.7 | ||||
| 適用介質 | 濃硫酸、鹽酸、硝酸、氫氟酸、王水、各種有機酸、強酸、氧化性介質或高溫烯硫酸、高溫濃醋酸、酸堿交替及多種有機溶劑和其它強腐蝕性介質。 | ||||
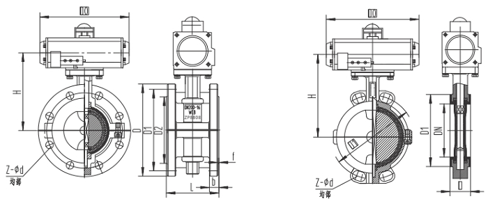
七、氣動襯氟法蘭蝶閥 結構圖
![]() |
八、氣動襯氟法蘭蝶閥 連接尺寸
| 公稱通徑 | 主要安裝尺寸 | ||||||||||||||
|---|---|---|---|---|---|---|---|---|---|---|---|---|---|---|---|
| DN | L | D | D1 | D2 | f | b | z-d | D | D1 | D2 | f | b | z-d | ||
| mm | inch | 對夾 | 法蘭 | PN0.6MPa | PNl.0MPa | ||||||||||
| 40 | 1-1/2 | 33 | 106 | 130 | 100 | 80 | 3 | 14 | 4-14 | 150 | 110 | 85 | 3 | 18 | 4-18 |
| 50 | 2 | 43 | 108 | 140 | 110 | 90 | 3 | 14 | 4-14 | 165 | 125 | 100 | 3 | 18 | 4-18 |
| 65 | 2Vi | 46 | 112 | 160 | 130 | 110 | 3 | 14 | 4-14 | 185 | 145 | 120 | 3 | 18 | 4-18 |
| 80 | 3 | 46 | 114 | 190 | 150 | 125 | 3 | 16 | 4-18 | 200 | 160 | 135 | 3 | 20 | 8-18 |
| 100 | 4 | 52 | 127 | 210 | 170 | 145 | 3 | 16 | 4-18 | 220 | 180 | 155 | 3 | 20 | 8-18 |
| 125 | 5 | 56 | 140 | 240 | 200 | 175 | 3 | 18 | 8-18 | 250 | 210 | 185 | 3 | 22 | 8-18 |
| 150 | 6 | 56 | 140 | 265 | 225 | 200 | 3 | 18 | 8-18 | 285 | 240 | 210 | 3 | 22 | 8-22 |
| 200 | 8 | 60 | 152 | 320 | 280 | 255 | 3 | 20 | 8-18 | 340 | 295 | 265 | 3 | 24 | 8-22 |
| 250 | 10 | 68 | 165 | 375 | 335 | 310 | 4 | 22 | 12-18 | 395 | 350 | 320 | 4 | 26 | 12-22 |
| 300 | 12 | 78 | 178 | 440 | 395 | 363 | 4 | 22 | 12-22 | 445 | 400 | 370 | 4 | 26 | 12-22 |
| 350 | 14 | 78 | 190 | 490 | 445 | 413 | 4 | 22 | 12-22 | 505 | 460 | 430 | 4 | 26 | 16-22 |
| 400 | 16 | 102 | 216 | 540 | 495 | 463 | 4 | 22 | 16-22 | 565 | 515 | 480 | 4 | 26 | 16-26 |
| 450 | 18 | 114 | 222 | 595 | 550 | 518 | 4 | 22 | 16-22 | 615 | 565 | 530 | 4 | 28 | 20-26 |
| 500 | 20 | 127 | 229 | 645 | 600 | 568 | 4 | 24 | 20-22 | 670 | 620 | 580 | 4 | 28 | 20-26 |
| 600 | 24 | 154 | 267 | 755 | 705 | 667 | 5 | 30 | 20-26 | 780 | 725 | 680 | 5 | 34 | 20-30 |
| 700 | 28 | 165 | 292 | 860 | 810 | 772 | 5 | 24 | 24-26 | 89S | 840 | 795 | 5 | 34 | 24-30 |
| 800 | 32 | 190 | 318 | 975 | 920 | 878 | 5 | 24 | 24-30 | 1015 | 950 | 900 | 5 | 36 | 24-33 |
| 900 | 36 | 203 | 330 | 1075 | 1020 | 980 | 5 | 26 | 24-30 | 111S | 1050 | 1000 | 5 | 38 | 28-33 |
| 1000 | 40 | 216 | 410 | 1175 | 1120 | 1080 | 5 | 26 | 28-30 | 1230 | 1160 | 1115 | 5 | 38 | 28-36 |
| 1200 | 48 | 254 | 470 | 1405 | 1340 | 1295 | 5 | 28 | 32-33 | 1455 | 1380 | 1330 | 5 | 44 | 32-39 |
| 公稱通徑 | 主要安裝尺寸 | ||||||||||||||
|---|---|---|---|---|---|---|---|---|---|---|---|---|---|---|---|
| DN | L | D | D1 | D2 | f | b | z-d | D | D1 | D2 | f | b | z-d | ||
| mm | inch | 對夾式 | 法蘭式 | PN1.6MPa | PN2.5MPa | ||||||||||
| 40 | 1-1/2 | 33 | 106 | 150 | 110 | 85 | 3 | 18 | 4-18 | 150 | 110 | 8S | 3 | 18 | 4-18 |
| 50 | 2 | 43 | 108 | 165 | 125 | 100 | 3 | 18 | 4-18 | 165 | 125 | 100 | 3 | 20 | 4-18 |
| 6S | 2W | 46 | 112 | 185 | 145 | 120 | 3 | 18 | 4-18 | 185 | 145 | 120 | 3 | 22 | 8-18 |
| 80 | 3 | 46 | 114 | 200 | 160 | 135 | 3 | 20 | 8-18 | 200 | 160 | 135 | 3 | 24 | 8-18 |
| 100 | 4 | 52 | 127 | 220 | 180 | 15S | 3 | 20 | 8-18 | 235 | 190 | 155 | 3 | 24 | 8-22 |
| 125 | S | 56 | 140 | 2S0 | 210 | 18S | 3 | 22 | 8-13 | 270 | 220 | 185 | 3 | 26 | 8-27 |
| 150 | 6 | 56 | 140 | 285 | 240 | 210 | 3 | 22 | 8-22 | 300 | 250 | 210 | 3 | 28 | 8-27 |
| 200 | 8 | 60 | 152 | 340 | 295 | 265 | 3 | 24 | 12-27 | 360 | 310 | 275 | 3 | 30 | 12-27 |
| 250 | 10 | 68 | 165 | 405 | 355 | 320 | 4 | 26 | 12-27 | 425 | 370 | 330 | 4 | 32 | 12-30 |
| 300 | 12 | 78 | 178 | 460 | 410 | 370 | 4 | 28 | 12-27 | 485 | 430 | 390 | 4 | 34 | 16-30 |
| 350 | 14 | 78 | 190 | 520 | 470 | 430 | 4 | 30 | 16-27 | 555 | 490 | 450 | 4 | 38 | 16-33 |
| 400 | 16 | 102 | 216 | 580 | 525 | 480 | 4 | 32 | 16-30 | 620 | 5SO | 505 | 4 | 40 | 16-36 |
| 450 | 18 | 114 | 222 | 640 | 585 | 550 | 4 | 40 | 20-30 | 670 | 600 | 550 | 4 | 46 | 20-36 |
| 500 | 20 | 127 | 229 | 715 | 650 | 610 | 5 | 44 | 20-33 | 730 | 660 | 610 | 5 | 4S | 20-36 |
| 600 | 24 | 154 | 267 | 840 | 770 | 720 | 5 | 54 | 20-36 | 845 | 770 | 720 | 5 | 58 | 20-39 |
| 400 | 28 | 165 | 292 | 910 | 340 | 759 | 5 | 42 | 24-36 | 960 | 875 | 800 | 5 | 50 | 24-42 |
| 800 | 32 | 190 | 318 | 1025 | 950 | 900 | 5 | 42 | 24-39 | 1085 | 990 | 940 | 5 | 54 | 24-48 |
| 900 | 36 | 203 | 330 | 1125 | 1050 | 1000 | 5 | 44 | 28-39 | 1185 | 1090 | 1040 | 5 | 58 | 28-48 |
| 1000 | 40 | 216 | 410 | 1255 | 1170 | 1110 | 5 | 46 | 28-42 | 1320 | 1210 | 1150 | 5 | 62 | 28-55 |
| 1200 | 48 | 254 | 470 | 1485 | 1390 | 1330 | 5 | 52 | 32-48 | 1530 | 1420 | 1360 | 5 | 70 | 32-55 |
注:由于產品改進技術創新參數可能有一定變化,公司不另行通知,請咨詢公司技術部門索取新數據。
下載:上海川滬閥門有限公司-產品樣本-氣動襯氟法蘭蝶閥.PDF
氣動襯氟法蘭蝶閥鏈接:http://www.weixinart.com/products/naifushifamen/d641f46.html































